专业从事于生产、销售细胞培养产品干细胞及干细胞专用无血清培养基等产品的创新型科技公司
HOME
NCS细胞库
实验耗材
诊断耗材
ABW品牌产品
资料下载
普通血清
特殊血清
实验试剂
关于我们
公司简介
联系我们
联系方式
常见问题
HOME
NCS细胞库
实验耗材
诊断耗材
ABW品牌产品
资料下载
普通血清
特殊血清
实验试剂
关于我们
公司简介
联系我们
联系方式
常见问题
NCS细胞库
HOME
/
NCS细胞库
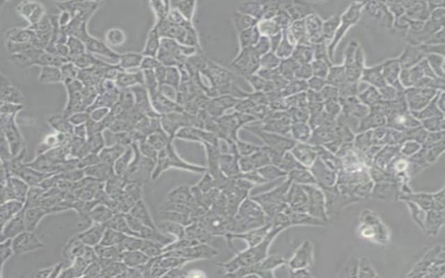
KYSE-30;人食管鳞癌细胞
VIEW MORE
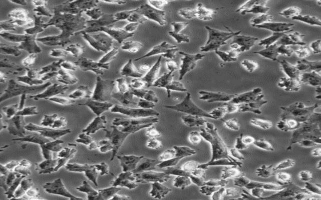
MKN-7;人胃癌细胞
VIEW MORE
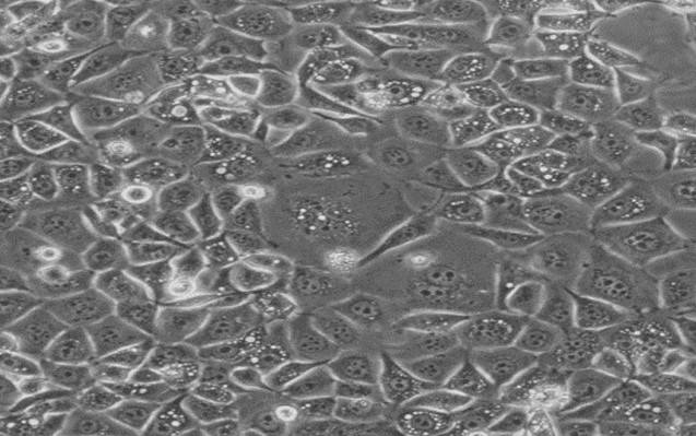
EMT6;小鼠乳腺癌细胞
VIEW MORE
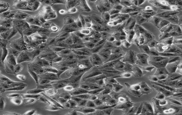
MV-4-11;人髓性单核细胞白血病细胞
VIEW MORE
NCI-H2228 [H2228; H-2228];人肺癌细胞
VIEW MORE
LN229;人大脑神经母瘤细胞
VIEW MORE
PATU8988T;人胰腺癌细胞
VIEW MORE
T98G;人脑胶质细胞
VIEW MORE
A549/Tax;人肺腺癌紫杉醇耐药性细胞
VIEW MORE
<
34
35
36
37
38
39
40
>
Sign Up
Login
Don’t havern an account?
Sign up
Member Login
Sign up
Already have an account?
Login